ブザー付き漏水センサ送信機 TAKEX 竹中エンジニアリング [EXLF-SWB1S]
商品詳細
電源供給対応!音と光で知らせる漏水送信機
通常在庫品です。決済確認後すぐに発送致します。
ブザー付き漏水センサ送信機EXLF-SWB1Sは、電極式スポット検知方式で漏水を素早く検出し、無線で受信機に信号を送る高信頼設計の装置です。漏水検知時は本体からブザー音が鳴り、視覚と聴覚で即座に異常を把握可能。426MHz帯4波の周波数切替に対応し、複数機設置時でも電波干渉を防ぎます。電源供給式で電池交換不要、長期運用に適しています。IP67相当の防水構造に加え、-10℃〜+50℃の幅広い温度環境に対応。表示灯や報知音の有無はスイッチで切替可能。床面据置設置に適した設計で、軽量な筐体はメンテナンス性も良好です。
ブザー付き漏水センサ送信機 EXLF-SWB1S|電源供給で電池交換不要の警報送信機
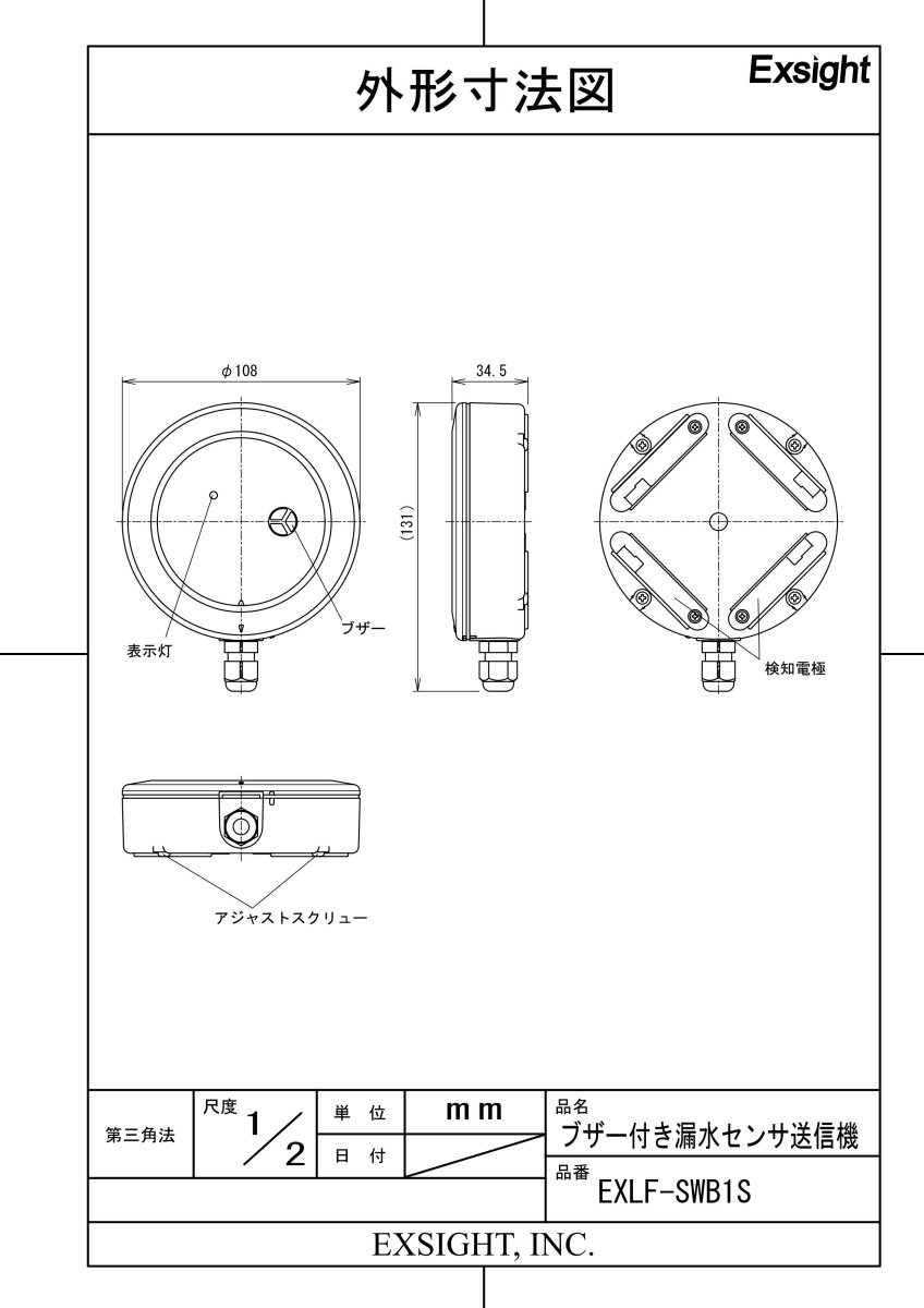
EXLF-SWB1Sは、本体底部の電極による電極式スポット検知方式で漏水をすばやく検知し、無線送信と本体ブザー音で異常を通知する床面設置型漏水センサ送信機です。426MHz帯・4波対応で電波混信を低減し、施設内の複数設置環境にも最適です。
DC10〜30Vの外部電源供給方式により、電池交換が不要で長期間の安定運用が可能です。漏水検知時には「ピュンピュン」という約75dB以上の断続音(5秒周期)が鳴り響き、異常を瞬時に周囲に伝えます。音量は正面1mにて75dB以上で、内部スイッチにより報知音のON/OFF切替が可能です。
赤色表示灯は検知・復旧時に約1秒点灯し、視認性も抜群。防水構造(IP67相当)の堅牢な樹脂筐体により、一時的な水没にも対応。使用温度範囲は-10℃〜+50℃と広く、様々な環境条件下で信頼性の高い検知が可能です。
定期送信機能も搭載し、状態監視を維持。設置時は高さ調整ネジ(アジャストスクリュー)で安定性を確保でき、屋内外の床面据置に最適です。筐体はグレーの樹脂製、電極は耐腐食性の高いステンレス製で耐久性にも優れます。質量は約140gと軽量で設置や移設も容易です。
仕様一覧
| 品名 | ブザー付き漏水センサ送信機 |
|---|---|
| 型番 | EXLF-SWB1S |
| 検知方式 | 電極式スポット検知(本体内蔵) |
| 電源 | DC10〜30V・70mA(極性あり) |
| 使用周波数帯 | 426MHz帯・4波(小電力セキュリティシステム用) |
| 出力 | 10mW以下 |
| 空中線 | 内蔵 |
| 電波到達距離 | 約100m(見通し距離) |
| 表示灯(赤) | 検知時・復旧時:約1秒間点灯 |
| 報知音 |
検知時:「ピュンピュン」と断続音(約75dB以上/センサー正面1m) 内部スイッチで報知音の「あり/なし」切替可能 |
| 使用温度範囲 | -10℃〜+50℃(氷結なきこと) |
| 構造 | 日常生活防水(IP67相当) |
| 付帯機能 | 定期送信機能、報知音あり/なし設定機能 |
| 設置場所 | 屋内・屋外(床面据置) |
| 質量 | 約140g |
| 外観 | 筐体:樹脂(グレー)、電極:ステンレス |
関連商品
-
ブザー付き漏水センサ送信機 TAKEX 竹中エンジニアリング [EXLF-SWB1]
会員のみ販売
音で知らせる!長寿命の漏水センサ送信機通常在庫品です。決済確認後すぐに発送致します。ブザー付き漏水センサ送信機EXLF-SWB1は、本体底部の電極で漏水を確実に検知し、受信機へ即時送信すると同時に本体…
-
【在庫限り】ブザー付き漏水センサ送信機 TAKEX 竹中エンジニアリング [EXLF-SWB2]
会員のみ販売
発送までにお時間をいただきます。発注前にご確認ください。●ケース底部にある4つの検知電極と本体とは別に小型のポイントセンサーを接続。本体とポイントセンサー部各々で漏水を検知し、受信機に送信します ●4…
-
【在庫限り】漏水センサ送信機 TAKEX 竹中エンジニアリング [EXLF-SW1S]
会員のみ販売
防水仕様で床面設置対応の漏水送信機発送までにお時間をいただきます。発注前にご確認ください。漏水センサ送信機EXLF-SW1Sは、電極式スポット検知方式を採用し、ケース底部の検知電極で漏水を確実に感知し…
-
【在庫限り】漏水センサ送信機 TAKEX 竹中エンジニアリング [EXLF-SW2]
会員のみ販売
長寿命電池&二重検知対応の漏水送信機発送までにお時間をいただきます。発注前にご確認ください。漏水センサ送信機EXLF-SW2は、本体底部の検知電極と接続された小型ポイントセンサーの両方で漏水を検知し、…
-
漏水センサ送信機 TAKEX 竹中エンジニアリング [EXLF-LW1]
会員のみ販売
電波干渉を抑えた多周波漏水送信機通常在庫品です。決済確認後すぐに発送致します。漏水センサ送信機「EXLF-LW1」は、漏水検知や断線警報を別々に通知可能な高性能送信機です。4周波切替対応により、同一エ…
-
保安・設備 5回路 監視用受信ユニット TAKEX 竹中エンジニアリング [EXR-500]
会員のみ販売
保安・設備 5回路 監視用受信ユニット 通常在庫品です。決済確認後すぐに発送致します。EXR-500は、保安監視や設備監視に特化した多機能ワイヤレス受信ユニットです。見通し通信距離約100m、4周波切…
-
漏水センサ制御器 TAKEX 竹中エンジニアリング [WL-CR1]
会員のみ販売
漏水と断線を同時監視できる制御器!通常在庫品です。決済確認後すぐに発送致します。漏水センサ制御器 WL-CR1 は、リード線センサーや電極式ポイントセンサーと接続し、漏水と断線を同時に監視できる1回路…
-
リード線式センサー 5m用 ※他に100mまで対応可能 TAKEX 竹中エンジニアリング [Z-AD-RS-5]
会員のみ販売
広範囲に対応する漏水リード線式センサー通常在庫品です。決済確認後すぐに発送致します。Z-AD-RS-5は、5mのリード線式漏水センサーで、設備や機器周辺の漏水を検知し、迅速に警報を発する高精度な検知シ…
-
漏水センサー用電極式ポイントセンサー TAKEX 竹中エンジニアリング [AD-PA-R]
会員のみ販売
電極式で素早く漏水検知!コンパクトセンサー通常在庫品です。決済確認後すぐに発送致します。AD-PA-Rは、電極式の漏水センサー(ポイントセンサー)で、ケース底部の電極検知により水漏れを検知します。工場…
-
直流電源装置 TAKEX 竹中エンジニアリング [BA-110D]
会員のみ販売
停電時も安心の自動切替DC電源通常在庫品です。決済確認後すぐに発送致します。BA-110Dは、DC12V出力に対応した直流電源装置で、コントローラやセンサーなどの機器に安定した電力を供給します。電気用…