FKS-L6 センサ固定レール2m(アルミ)10本入・金具70個入 TAKEX 竹中エンジニアリング TAKEX 竹中エンジニアリング セキュリティストア 【Security Store】

センサ固定レール2m(アルミ)10本入・金具70個入 TAKEX 竹中エンジニアリング [FKS-L6]

センサ固定レール2m(アルミ)10本入・金具70個入 TAKEX 竹中エンジニアリング [FKS-L6]

販売価格: 会員のみ販売

商品詳細

竹中エンジニアリング 感圧コードセンサ用 固定用レール セキュリティ周辺機器

FKS-L6 センサ固定レール2m(アルミ)10本入・金具70個入

感圧コードセンサを床や壁面へ確実に固定するための専用アルミレールセットです。2mのロングレールが10本と、固定用金具が70個含まれており、大規模な現場や長距離の検知ライン構築に最適です。

  • 型番: FKS-L6
  • 製品名: センサ固定レール2m(アルミ)10本入・金具70個入
  • 主要材質: アルミ(レール)
  • 構成品: レール(2m)×10本、固定金具×70個
  • 対応製品: 感圧コードセンサ(テープスイッチ等)
FKS-L6 センサ固定レール

この製品が向いている用途

  • 工場・倉庫内の進入検知ライン設置
  • 介護施設等のベッドサイド、廊下検知
  • オフィスビルのセキュリティ区画
  • 長距離の感圧センサ敷設が必要な現場

導入前に確認したいポイント

  • 設置場所の床面が水平で平滑であるか
  • 敷設する感圧コードセンサの外径が適合するか
  • 合計20m分の施工範囲をカバーできるか
  • 取付下地に適したネジ(別売)の選定

特長

2mのアルミレールによる高い直線性と耐久性

歪みの少ないアルミ製レールを採用しており、長距離の敷設でも直線美を保ちながら感圧コードセンサを保護・固定します。アルミ製のため軽量でありながら強度があり、錆などの腐食にも強い仕様です。

大規模施工に対応する10本セット

2メートルのレールが10本同梱されているため、一度の導入で合計20メートルの施工に対応可能です。工場の通路や広い展示ブースなど、長距離の検知ラインが必要な現場において、部材不足の心配なく作業を進められます。

余裕のある70個の固定金具が付属

レール1本(2m)あたり平均7個の金具を使用できる計算で、計70個の金具がセットになっています。センサの浮き上がりを防ぎ、確実に保持するための十分な固定ポイントを確保できます。

感圧コードセンサに最適化された設計

感圧コードセンサの動作を妨げず、かつ外れにくい形状に設計されています。踏まれた際の荷重を適切にセンサへ伝えるための基盤としての役割を果たし、検知精度の安定化に寄与します。

現場に合わせた自由な長さ調整

アルミ製のため、金切鋸などで現場の状況に合わせたカットが可能です。部屋の四隅やコーナー部、短い距離の敷設箇所でも、柔軟に長さを合わせて施工することができます。

仕上がりの美しさと安全性の向上

センサを露出させたままにするのではなく、レールに収めることで、見た目をスマートに整えることができます。また、センサのズレや躓きのリスクを低減し、現場の安全性向上にも繋がります。

選定時に評価したい強み

  • コストパフォーマンス: 大容量セットにより、単体購入を繰り返すよりも効率的です。
  • 施工性: 専用設計の金具により、スピーディかつ確実な固定が可能です。
  • 信頼性: セキュリティ機器の専門メーカーである竹中エンジニアリング製で、耐久性が担保されています。
  • 拡張性: 20m単位での管理がしやすく、中〜大規模施設のプランニングに適しています。

施工・設置ガイド

本製品を設置する際は、まず床面または壁面の汚れや油分を取り除いてください。レールの固定には、下地(コンクリート、木材、金属等)に合わせた適切なビスやプラグを別途ご用意いただく必要があります。

確認項目 この製品での考え方
カットの可否 アルミ製のため、現場での手動工具等による切断が可能です。
固定ピッチ 付属の金具(70個)を使用し、センサの浮きがないよう均等に配置してください。
環境耐性 屋内用です。常時浸水する場所や特殊な薬品がかかる環境は避けてください。

製品仕様

項目 内容
型番 FKS-L6
製品名 センサ固定レール2m(アルミ)10本入・金具70個入
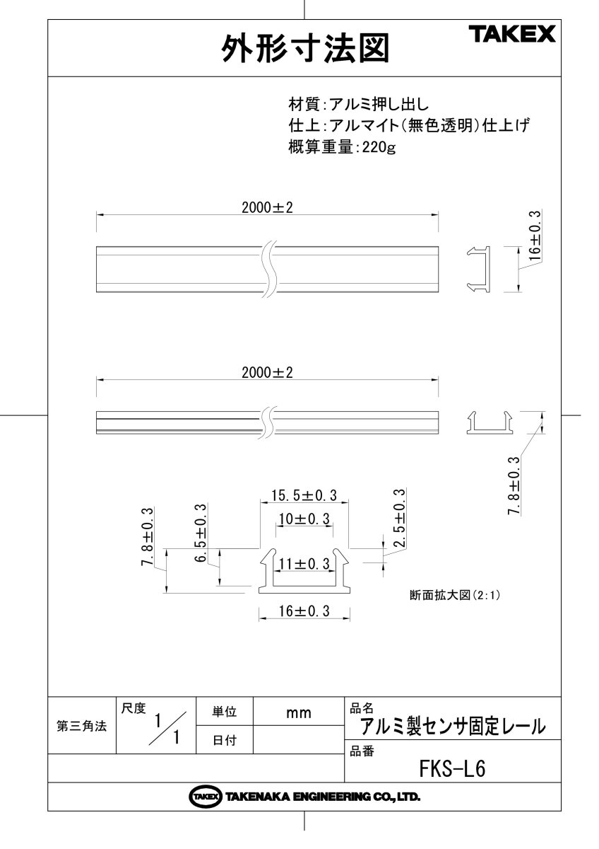
レール長さ 2,000mm(1本あたり)
材質 アルミ(レール)
セット内容 レール:10本
金具:70個
対応センサ 感圧コードセンサ(詳細は外形寸法図を確認してください)

FAQ

Q:レールの材質は何ですか? A:軽量で耐久性に優れたアルミ製です。
Q:1セットで何メートル分の施工が可能ですか? A:2メートルのレールが10本含まれているため、合計20メートルの施工が可能です。
Q:金具のみを後から買い足すことはできますか? A:基本的にはセット販売となりますが、詳細な部材手配についてはお問い合わせください。
Q:屋外でも使用できますか? A:本製品は屋内での使用を想定しています。腐食や劣化の原因となるため、雨水のかかる場所での使用は推奨されません。
Q:レールの切断は可能ですか? A:はい、金切鋸などの工具を使用して現場のサイズに合わせてカットいただけます。
Q:どのようなネジで固定すればよいですか? A:設置面の材質(コンクリート、ALC、木材等)に合わせて、適切な径のビスを別途選定してください。
Q:金具は何個間隔で設置すべきですか? A:標準的にはレール1本(2m)に対して7個程度(約30cm間隔)の設置が目安です。
Q:他社の感圧センサにも使えますか? A:竹中エンジニアリング製の感圧コードセンサ専用に設計されています。他社製の場合は外径寸法を十分にご確認ください。
Q:メンテナンスで気をつけることはありますか? A:レールの変形や金具の緩みがないか定期的に点検してください。ゴミが溜まるとセンサの動作に影響する場合があります。
Q:レールの色指定はできますか? A:標準的なアルミ(シルバー)色のみとなります。