TXF-130 転倒検知送信機 〔倒れコール〕 TAKEX 竹中エンジニアリング TAKEX 竹中エンジニアリング セキュリティストア 【Security Store】

転倒検知送信機 〔倒れコール〕 [TXF-130]

転倒検知送信機 〔倒れコール〕 [TXF-130]

販売価格: 会員のみ販売

商品詳細

TAKEX(竹中エンジニアリング) 転倒検知送信機 一人作業者安全管理 小電力セキュリティ無線

TXF-130 転倒検知送信機 〔倒れコール〕

作業者の転倒や倒れ込みをセンサーで自動検知し、大音量の警報音と同時に無線信号を発信する緊急事態通報システムです。一人作業現場の安全管理を強力にサポートします。

  • 型番: TXF-130
  • 方式: 小電力セキュリティシステムの無線局設備(426MHz帯)
  • 主な用途: 工場、建設現場、高所作業、夜間巡回、介護施設等の安全管理
  • 検知方式: 高精度傾斜センサー(鉛直線より約60°以上の傾きを検知)
  • 電源: 単4形アルカリ乾電池×2本(電池寿命 約2年)
  • 特長: 4周波切替対応、IP54相当の防雨構造、検知延長タイマー搭載
TXF-130 転倒検知送信機 本体画像

この製品が向いている用途

  • 工場や倉庫内での一人作業の監視
  • 高所作業時や足場の悪い現場での安全対策
  • 警備・夜間巡回時の緊急通報用
  • 介護・福祉施設での入居者の転倒検知

導入前に確認したいポイント

  • 受信機との電波到達距離(見通し約100m)
  • 作業中に頻繁に屈む動作があるかの確認
  • 装着方法(ベルトクリップかソフトケースか)
  • 同一エリア内での他無線機器との干渉有無

特長

高精度傾斜センサーによる異常検知

本体が鉛直線より約60°以上傾いた状態が一定時間続くと、異常事態と判定します。単なる衝撃ではなく「姿勢の継続」を監視するため、一時的な動作による誤報を抑えた確実な検知が可能です。

4周波切替対応による安定した通信

4つの周波数(F1〜F4)からチャンネルを選択可能です。大規模な現場や、既に他の無線システムが導入されている環境でも、混信を避けて安定した運用を行うことができます。

電源の入れ忘れを防ぐ「アタッチメント連動」

専用のクリップまたはソフトケースに本体を装着することで電源がON(運用モード)になり、取り外すとOFF(保管モード)になります。現場での操作ミスを防ぐフェイルセーフ設計です。

誤報を防止する「警報遅延タイマー」

倒れ検知から送信までに10秒間の予備警報期間を設定可能です。この間に姿勢を戻すか停止ボタンを押せば送信をキャンセルできるため、誤って倒した際などの不要な通報を防げます。

意図的な伏せ作業に対応する「検知延長タイマー」

配管作業など、意図的に横たわって作業を行う場合に、検知を5分間一時停止できる機能を搭載しています。ボタン一つでタイマーを開始・延長でき、作業効率を落としません。

万一の脱落を見逃さない「セーフティー機能」

転倒の衝撃で本体が衣服から外れてしまった場合でも、異常とみなして警告音を鳴らし、設定時間後に無線送信を行います。過酷な現場での「万が一」を想定した高度なロジックです。

低消費電力化による長期運用

従来比で約2倍の電池寿命を実現しました。単4形アルカリ乾電池2本で約2年間の運用が可能(1日1回発報想定)であり、ランニングコストとメンテナンスの手間を軽減します。

屋外でも安心のIP54相当・防雨構造

粉塵や雨水に配慮した設計となっており、屋外作業現場でも安心して使用可能です。※高圧散水や水没には対応していないため、極端な多湿環境にはご注意ください。

選定時に評価したい強み

  • 確実な通報: 大音量の警報音(90dB)と無線信号のダブル通知。
  • 設定の柔軟性: 検知時間を10秒から2分まで4段階で調整可能。
  • 現場目線の設計: 手動で通報できる大型の「非常ボタン」を搭載。
  • 管理の容易さ: 電池切れや通信状態を自動で知らせる自己診断機能。

LED表示・動作ステータス

状態 LED表示(赤色) ブザー通知音
警報動作(送信中) 常時点灯 ピリリリ、ピリリリ…
予備警報(10秒間) 消灯 ピッ、ピッ、ピッ…
検知延長タイマー中 2秒に1回点灯 ピッ(開始/終了時)
電池切れ報知 5秒に1回点灯 (警報音が小さくなる)
セーフティー機能作動 消灯 ピー(連続音)

製品仕様

項目 内容
品名 / 品番 転倒検知送信機〔倒れコール〕(4周波切替対応型) / TXF-130
電源 単4形アルカリ乾電池 LR03×2(DC3V)
電池寿命 約2年(常温時、1日1回送信 および10秒間警報音鳴動として)
使用周波数帯 426MHz帯・4波(小電力セキュリティシステムの無線局の無線設備)
空中線電力 10mW以下
電波到達距離 100m以内(見通し距離)
傾斜検知角度 鉛直線より約60°以上(復旧:約50°)
タイマー設定 倒れ検知:10秒、30秒、1分、2分
警報遅延:なし、10秒
検知延長:なし、5分
警報音量(1m地点) 標準:約90dB / テスト:約70dB
使用可能周囲温度 -10℃〜+50℃(結露なきこと)
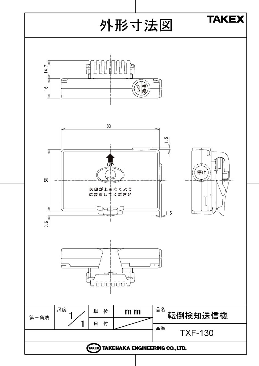
外形寸法 幅 80mm × 高さ 50mm × 奥行 16mm(クリップ除く)
質量 約80g(電池、クリップ含む)
外観 樹脂(ブラック)
付帯機能 電池切れ報知、定期送信、警報音量切替、倒れ検知確認、送信周波数切替

FAQ

Q:横たわって作業をする場合に警報を止めることはできますか? A:はい、検知延長タイマー機能を使用すれば、5分間検知を一時停止できます。停止ボタンを2秒以上長押しすることで開始され、作業を継続する場合は再度ボタンを押すことでタイマーを延長可能です。
Q:誤って転倒検知が作動した際、送信を止める方法はありますか? A:警報遅延タイマーを「あり」に設定している場合、本警報が鳴る前の10秒間(予備警報中)に姿勢を元に戻すか停止ボタンを押すことで、外部への送信をキャンセルできます。
Q:電池の寿命はどれくらいですか? A:単4形アルカリ乾電池2本で、約2年間使用可能です(常温環境で1日1回送信・10秒間鳴動の場合)。電池が消耗すると本体LEDが5秒に1回点灯し、受信機へも電池切れ信号を送信します。
Q:電波はどれくらいの距離まで届きますか? A:見通し距離で約100mです。ただし、鉄筋コンクリート壁や金属板などの障害物がある環境では距離が短くなります。電波が届きにくい場合は別売の中継機の増設をご検討ください。
Q:電源スイッチはどこにありますか? A:本機に独立した電源スイッチはありません。背面のクリップまたは専用ケースに装着することで自動的に電源がONになり、取り外すとOFFになる仕組みです。
Q:雨天時の屋外で使用しても大丈夫ですか? A:IP54相当の防雨構造ですので、屋外作業でもご使用いただけます。ただし完全防水ではないため、水没や激しい高圧洗浄機などの水が直接かかる状況は避けてください。
Q:ベルトをしていなくても装着できますか? A:クリップに付属のアダプターを使用することで、ベルトのないズボンの縁やポケットなどにもしっかりと固定することが可能です。
Q:他のワイヤレスシステムと混信しませんか? A:本機は4波切替対応型ですので、DIPスイッチで送信周波数を変更し、混信を回避することが可能です。
Q:検知角度は変更できますか? A:検知角度は鉛直線より約60°以上に固定されています。検知までの時間は内部スイッチで10秒・30秒・1分・2分の4段階に調整可能です。
Q:電池を交換した直後に反応しないのはなぜですか? A:電池投入後、約20秒間はウォームアップ期間となります。この間は回路安定化のため動作しません。LEDが消灯してから運用を開始してください。